ZD系列振動料斗
【產品類別】:振動設備
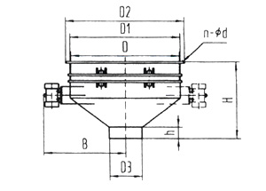
【產品簡述】:概述 ZD系列振動料斗是一種新型的排料設備。它安裝在料倉的下部。可以避免各種物料在料倉內的“起拱”、“架橋”等現象。是...
【友情提示】:公司除產品售后保修-年外;還長期提供零配件和終身維修。設有專門的售后服務隊!
18567557287
- 上一篇:沒有了;
- 下一篇:YZDP、YZS系列振動電機










